Контакты
Новости
Каталоги
 Войти
Сортировать:
Сначала новые
Сначала старые
Цена ↑
Цена ↓
Кол-во ↑
Кол-во ↓
Имя A→Я
Имя Я→A
Серийник ↑
Серийник ↓
87443713 - Фильтр воздушный малый ДВС T9/St.
17 012 ₽
84191182 - Фильтр возд. внешн. ДВС T8./Mg., T9.615/St.500 550, опр. Patriot
34 199 ₽
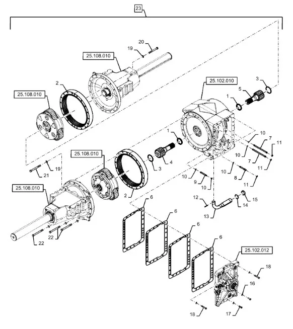
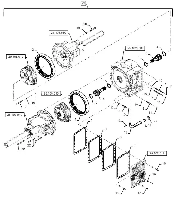
84315338 - Фланец вала 2го КПП TJT9./St.
81 148 ₽
84466102 - Поршень муфты торм. моста 450сер. T9./St.
77 040 ₽
418107A1 - Потенциометр регулировки темп. конд. на пан. приб. TJT9/St.
4 064 ₽
47821526 - Фильтр ресивер осушитель конд. ТС5080, ТС5.90, CX6090, TGT8./Mg., TJT9./St.
5 715 ₽
84058255 - Ремень прив. МКШ жатки H Cap, 720, 2030
7 284 ₽
47677096 - сальник
4 376 ₽
86566790 - Цепь (H 1я ст. усил.) прив. выгр. шнека CX8, CR сн до 799
5 692 ₽
85000175 - Редуктор МКШ жатки H/E Cap, Vari, 720, 2030
214 042 ₽
86500890 - Подшипник конич. в сб. вала КПП TJ T9./St.
28 534 ₽
84286727 - Патрубок возд. впускной ДВС T8./Mg. 1114г.в.
94 852 ₽
504315786 - Натяжитель ремня ген. и насоса вод. ДВС Cursor9T T8./Mg., T6/Maxx.
27 188 ₽
87713744 - демпфер
14 633 ₽
359244A1 - Шайба толщинная 0,3мм фланца вала вх./2го КПП TJT9./St.
1 585 ₽
428183A1 - Подшипник конич. в сб. вала КПП/ВОМ TJ T9./St.
13 783 ₽
378758A2 - Демпфер ДВС Cursor13/CumminsQSX TJ T9./St.
258 416 ₽
5801625923 - Сальник передн. коленв. ДВС Cursor10/13 T9 T9./St., CR
5 281 ₽
210034 - Подшипник вала верхнего привода кам. накл. ТС5
3 693 ₽
238-6373 - 6373 Кольцо упл. хвостовика моста заднего Т9./St.
1 813 ₽
86623593 - Подшипник кон. в сб. вала КПП / редукт. ДВС TJ T9./St. CX8, CR
22 623 ₽
178553A1 - Кольцо толщ. 0,076мм муфты торм. редуктора моста 450сер. TJT9./St.
4 955 ₽
433478A1 - Сальник сочленения рамы TJT9./St.
3 258 ₽
47533795 - Ремень привода вала соломотряса 3140мм CX6
14 492 ₽
«
<
1
...
3
4
5
6
7
...
34117
>
»
Страница:
Перейти